XM智能数字显示仪表
![]()


一、主要特点
采用输入设置,使每块仪表仅通过简单快捷的菜单选择,即可适配各种分度号。
二、 XM 智能数字显示仪表型谱
型谱 |
说明 |
|||||||
XMZ |
智能型仪表 |
|||||||
1 |
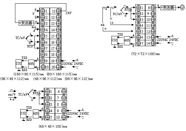
宽×高×深: (160 × 80 × 115)mm |
|||||||
2 |
(80 × 160 × 115)mm |
|||||||
4 |
(48 × 48 × 100)mm |
|||||||
6 |
(96 × 48 × 112)mm |
|||||||
7 |
(72 × 72 × 100)mm |
|||||||
8 |
(48 × 96 × 112)mm |
|||||||
9 |
(96 × 96 × 112)mm |
|||||||
0 |
适配( 4-20 ) mA 输入,量程自由设定 |
|||||||
1 |
适配 K E S R T J B 热电偶 |
|||||||
2 |
适配 Pt100 、 Cu50 、 G53 热电阻 |
|||||||
3 |
适配霍尔变送器 mV ,量程自由设定 |
|||||||
4 |
适配远传压力表( 30-350 )Ω,量程自由设定 |
|||||||
6 |
适配( 4-20 ) mA 输入,量程自由设定 |
|||||||
7 |
适配( 0-5 ) mA 输入,量程自由设定 |
|||||||
8 |
适配( 1-5 ) V 输入,量程自由设定 |
|||||||
9 |
用户特殊要求的分度号 |
|||||||
缺省为无 DC 24V 馈电电源输出 |
||||||||
D |
DC 24V 供电 |
|||||||
缺省为无附加 DC 24V 馈电电源输出 |
||||||||
P |
附加 DC 24V 馈电电源输出 |
|||||||
缺省为不带串行通讯接口 |
||||||||
2 |
RS232 串行通讯接口 |
|||||||
4 |
RS485 串行通讯接口(带隔离) |
|||||||
三、 XM 智能数字显示仪表接线图
