![]() |
|
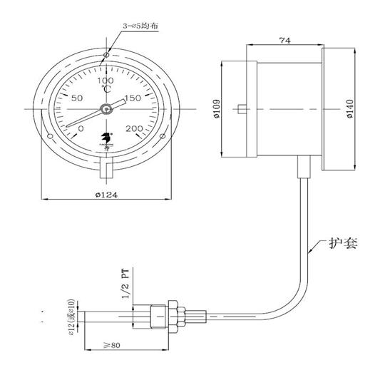
不锈钢压力式温度计 WTZX-280F 使用说明书
型号说明 : W T Z 口 - 2 8 0 口 / 口 口 X :电接点 F :防腐 温度 毛细管长度≤ 30 米 无:普通 无:普通 温度范围: -40~60 0~100 0~150 0~200 0~300 0~400 0~500 0~60 0 ℃
电接点温度计外接控制参考电路 (配套触点: YXC 380V 30VA ) )
二位式控制原理图 双上限二次控制原理图
区间温度控制原理图 三位置控制原理图 电源理图
外接控制参考电路 ( 1 ) A 、 B 端是外接电源。 ( 2 )上限(或第二上限)是指温度计的指针(动触头)和上限(或第二上限)设定针组成的常开触点。 ( 3 ) ZJ 1 、 ZJ 2 是线圈吸合功率小于 10VA ( I 型)的灵敏继电器(例如 JZX-2F 型 522 型)。 ( 4 ) CJ 为交流接触器,触头电流用户按负载大小自选。 ( 5 )当负载的功率大于灵敏继电器触头容量时,应再加一只继电器进行放大。
|